facebook no-scripts

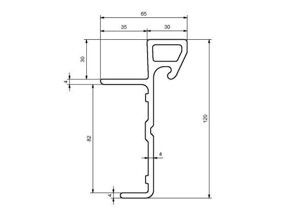
Ladkantprofil 30mm, 5.000mm, anod - EN AW 6005-T6 - Elox. natur 20my

Ladkantprofil 30mm, 5.000mm, anod - EN AW 6005-T6 - Elox. natur 20my

Flere visninger

Varenr: 358015 Salgsenhed:Meter Lagerstatus: På lager

Mere Info

Kantprofil, aluminium
4mm/30mm
H=120 mm
L=5000 mm

Specifikationer

Net Weight:2.7800
bevola 18-03-2026 02:14:50
Produkt Antal Pris
Total pris ekskl. moms 0,00 kr