facebook no-scripts

Skammel 2" luft stel Scania 263mm - JOST JSKSLE07320BG/BC

Skammel 2" luft stel  Scania 263mm - JOST JSKSLE07320BG/BC

Flere visninger

Varenr: 740448 Salgsenhed:Stk Lagerstatus: Leveringstid 5-7 hverdage

Mere Info

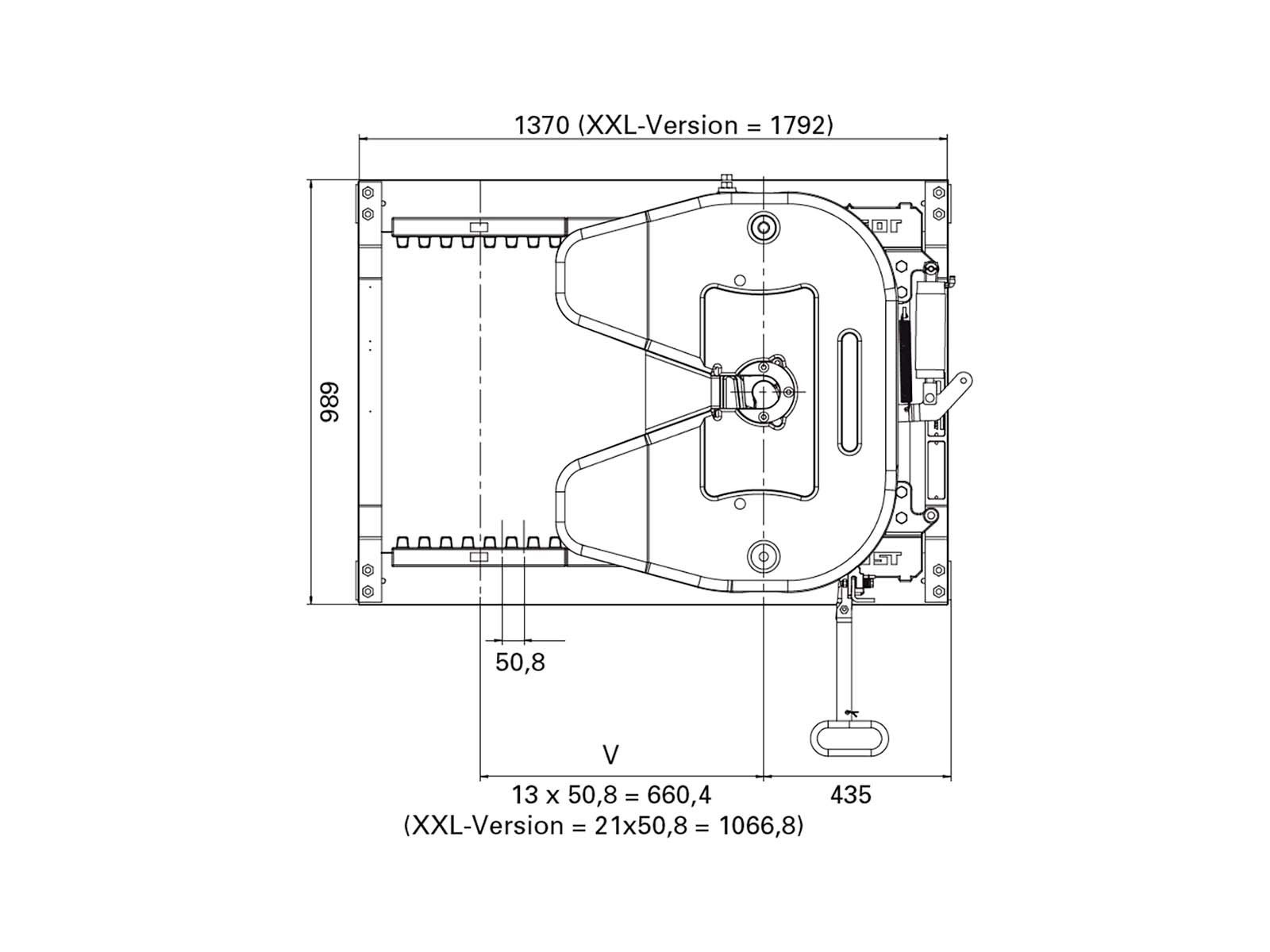
JOST Skammel 2" JSK 37 SL
Luftforskydelig m. forboret understel Scania
Til 2" Kongetap
Højde 263mm
D-værdi: 152 kN
E-coatet
Koblingstryk: 20.000kg
EU godk. E1 55R-01 1151

Specifikationer

Net Weight:251.0000 Line Disc:5
bevola 18-03-2026 04:55:04
Produkt Antal Pris
Total pris ekskl. moms 0,00 kr