facebook no-scripts

Kugledrejekrans 90S/1100.20 to-radet - Jost KLK DR 1100-20

Kugledrejekrans 90S/1100.20 to-radet  - Jost KLK DR 1100-20

Flere visninger

Varenr: 740120 Salgsenhed:Stk Lagerstatus: Leveringstid 5-7 hverdage

Mere Info

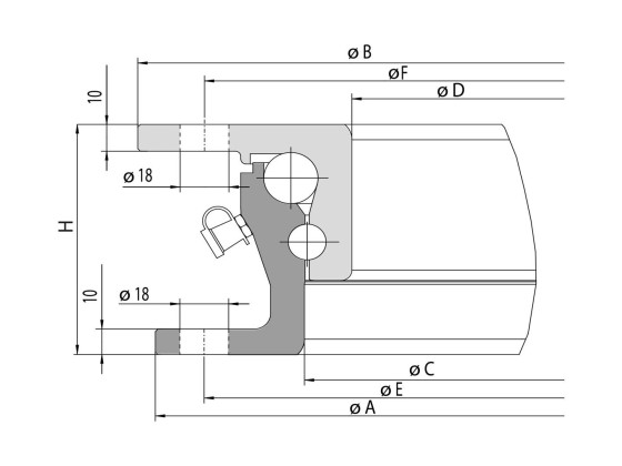
Jost Kugledrejekrans
H: 90mm
øA: 1095mm
øB: 1108mm
øE: 1060mm
øF: 1074mm
Maks. forakseltryk: 20t
Vægt: 80kg
Boreskabelon: 1
To-radet
E-coatet & forboret
Jost KLK DR 1100-20

Specifikationer

Net Weight:80.0000 Line Disc:5
bevola 18-03-2026 04:04:00
Produkt Antal Pris
Total pris ekskl. moms 0,00 kr