facebook no-scripts

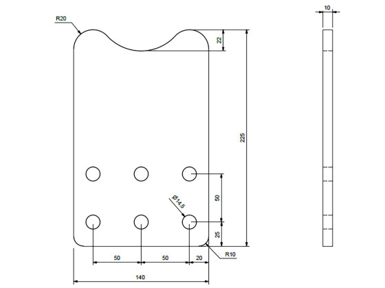
Konsolplade 6 huls - cc=50 mm til Scania R fra 02.05

Konsolplade 6 huls  - cc=50 mm til Scania R fra 02.05

Flere visninger

Varenr: 517110 Salgsenhed:Stk Lagerstatus: Leveringstid 5-7 hverdage

Mere Info

Konsolplade
6 hul
140x225x10mm
Cc=50x50mm

Specifikationer

Net Weight:2.2800 Line Disc:57
bevola 18-03-2026 07:31:37
Produkt Antal Pris
Total pris ekskl. moms 0,00 kr