facebook no-scripts

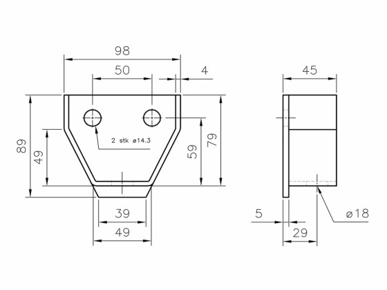
Konsol Volvo FH12-16 98x89mm galv - 33601 - 20 stk pr kasse

Konsol Volvo FH12-16 98x89mm galv - 33601 - 20 stk pr kasse

Flere visninger

Varenr: 517007 Salgsenhed:Stk Lagerstatus: Leveringstid 5-7 hverdage

Mere Info

Øvre flexifæste
Galvaniseret

Specifikationer

Net Weight:0.5600 Line Disc:51
bevola 18-03-2026 03:32:06
Produkt Antal Pris
Total pris ekskl. moms 0,00 kr